Serrature a impronta a leva.
Chiusure a leva a camma rotante a ¼ con azionamento a utensile. Lo standard industriale per l'accesso rapido a quadri e sportelli tecnici.
Soluzioni standard in Zama per l'industria e le utilities.
Le Serrature Impronta a Leva (spesso definite Quarter Turn o "a un quarto di giro") rappresentano la soluzione di chiusura più diffusa nel settore della quadristica e della carpenteria metallica. Il principio di funzionamento è meccanicamente identico alle serrature codificate: la rotazione del barilotto aziona una leva (camma) posteriore che va in battuta dietro il telaio, bloccando l'anta.
La differenza sostanziale risiede nell'azionamento: invece di una chiave cifrata, queste serrature utilizzano un inserto sagomato (Impronta). Questo permette l'apertura tramite utensili tecnici standard (chiavi a quadro, triangolo, doppia aletta), garantendo un accesso veloce e semplificato per il personale di manutenzione, senza la gestione di mazzi di chiavi numerate.
Tipologie di finiture:
- cromatura lucida
- cromatura satinata
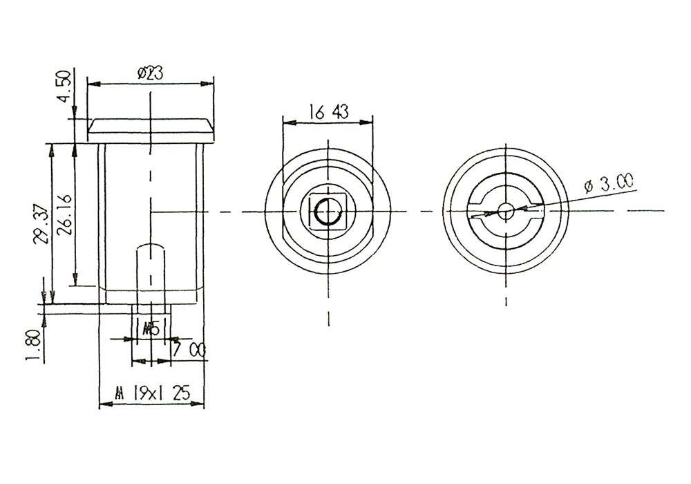
Impronta quadrata
L'impronta quadrata è una delle soluzioni più diffuse nel settore della carpenteria metallica generica. L'inserto quadro offre un'ottima presa per la chiave, riducendo il rischio di "spanare" l'impronta anche dopo anni di utilizzo e verniciatura.
Impronta Triangolare
L'impronta triangolare è lo standard di riferimento per gli enti di distribuzione. La forma geometrica triangolare è meno facile da azionare con utensili di fortuna (come cacciaviti piatti o pinze) rispetto ad altre forme, offrendo un livello base di protezione.
Impronta Esagonale (brugola)
La serratura con impronta esagonale incassata (spesso chiamata a brugola) è scelta per la sua pulizia estetica e per la facilità di reperimento dell'utensile di apertura.
Impronta Secure
E' la risposta di La Nuova Mumi alla richiesta di maggiore sicurezza nelle chiusure industriali rapide. Mentre le classiche impronte sono azionabili con chiavi standard reperibili ovunque, il sistema "Secure" utilizza una geometria unica.
Perno (doppia aletta)
Questa conformazione offre un vantaggio meccanico decisivo: la chiave abbraccia perfettamente l'inserto, garantendo una trasmissione di forza superiore.
Impronta a cacchiavite
Accesso immediato per manutenzioni frequenti senza bisogno di chiavi specifiche.

Contattaci
o richiedi di essere
ricontattato
