Cerniere per Applicazioni Industriali.
Ampia gamma di maniglie industriali in nylon, Zama, ferro e acciaio. Interassi standard per una facile installazione.
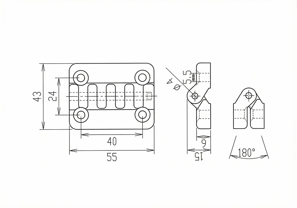
Angolo apertura
Cerniere 180° per l'apertura totale degli sportelli, facilitando l'accesso interno per cablaggio e manutenzione.
Materiali
Cerniere in Zama sono disponibili con diverse finiture superficiali per estetica e protezione. La Cromatatura lucida per un look tecnico e pulito, satinata per un design elegante, verniciata Nera. Inoltre le proponiamo in Nylon , leggere e inattaccabili dagli agenti atmosferici; ed infine le cerniere A Disegno, realizzate su specifiche del cliente in acciaio o ferro fino a 3mm di spessore.

Contattaci
o richiedi di essere
ricontattato